Stihl Fs 130 Parts Diagram
Fish your guess is as good as mine but just a swag hes talking about the engine shroud. We want every stihl owner to have the best product performance possible so if you are in need of stihl repair or equipment maintenance contact your local authorized full line stihl servicing dealer.
Stihl Brush Cutter Fs 130 Repair Manual
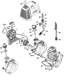
All parts that fit a fs 130 brushcutter.
Stihl fs 130 parts diagram. Fs 90 fs 100 fs 110 km 110 fc 100 fc 110 ht 100 ht 101 hl 100 stihl 0000 400 7009 bosch usr7ac ngk cmr5h fs 130 km 130 ht 130 ht 131 br 500 br 550 br 600 stihl 0000 400 7011 ngk cmr6h refer to the stihl repair specification charts for other models. Stihl fs 130 brushcutter fs130r parts diagram select a page from the stihl fs 130 brushcutter diagram to view the parts list and exploded view diagram. Open 7 days a week.
This is a image galleries about stihl hl 100 parts diagramyou can also find other images like wiring diagram parts diagram replacement parts electrical diagram repair manuals engine diagram engine scheme wiring harness fuse box vacuum diagram timing belt timing chain brakes diagram transmission diagram and engine problems. Stihl string trimmer model fs 130 fs130 parts shop online or call 800 269 2609. Stihl recommends using only stihl replacement parts for the repair and maintenance of your stihl equipment.
When viewed from above however the cutting attachment rotates counterclockwise. Fs 130 fs 130 r english 8 arrows on the deflectora and limit stopb as seen from the underside show the correct direction of rotation of the cutting attachment. Doesnt seem to matter how much i and moan at various stihl shops nothing changes although i have encountered a couple of stihl dealers who do wish corporate would make parts breakdowns available on the net.
Stihl fs 130 brushcutter fs130r parts diagram carburetor c1q s98b c1qs114. Look at the diagram and find parts that fit a stihl fs 130 brushcutter or refer to the list below. Find best value and selection for your stihl fs130 professional string trimmer weedeater parts search on ebay.
365 day return policy.
Stihl Fs 55r Parts Diagram Free Engine Image For User Stihl Fs55r
Stihl Fs45 Parts Diagram Fabulous Stihl Fs 130 R Parts Diagram
Stihl Fs 130 Brushcutter Fs130r Parts Diagram
Stihl Fs 110 Parts Diagram Best Of Stihl Trimmer Fs 46 Parts Diagram
Stihl Fs 130 User Manual Electrical Wiring Diagram
Best Stihl Fs 130 Trimmer Parts Diagram Www Whenintransit Com
57 Elegant Pics Of Stihl Fs 76 Parts Diagram Flow Block Diagram
Stihl Fs 130 Brushcutter Fs130r Parts Diagram Valve Timing Gear
Stihl Fs 106 Parts Diagram Culturebee Co
Stihl Fs44 Weedeater Parts Diagram Delapan Stanito Com
Fs55 Manual Stihl Fs45 Parts Diagram Image Wingsioskins Com
Stihl Fs 106 Parts Diagram Culturebee Co
Stihl Ht 130 Parts Diagram Empat Stanito Com





0 Response to "Stihl Fs 130 Parts Diagram"
Post a Comment