John Deere 160 Lawn Tractor Parts Diagram

John deere models 130 160 165 170 175 180 185 parts. Our john deere 160 lawn tractor parts catalog has pictures descriptions and low prices.

Front Drive Attachment B23 割草机 装有拖拉机john Deere 160

Search huge inventory of tractor parts lawnmower parts blower parts engine parts and ship it today.

John deere 160 lawn tractor parts diagram. Attachment 2 bag bagger tiller snow thrower blade power flow scotts lawn tractors attachment 2 bag bagger tiller snow. Click here for 38 inch mower deck parts for 160. This tool is great for finding all the parts necessary for successful mower repair.

John deere zero turn mower parts. 130 air filter mounting parts. 130 crankshaft piston.

John deere lawn tractor parts. John deere lawn tractor deluxe seat cover 11 4699. A complete listing of all john deere lawn tractor parts is available using illustrated diagrams.

John deere lawn and garden tractor parts. The 160 riding lawn tractor was produced from 1986 1988 as part of the late 100 lawn series. John deere parts lookup john deere 160 lawn tractor 125 hp pc2055.

130 engine baseoil slingergovernor camshaft. John deere front mower parts. Click here for 38 inch mower deck parts for 160.

130 cylinder headcylinder block dipstick. John deere lawn mower parts. Buy genuine oem john deere parts.

1 2 next page view all. Know your john deere model number search diagrams. John deere yellow paint 0 929.

John deere parts diagrams john deere 160 lawn tractor 125 hp pc2055. Standard features included a 125 hp kawasaki engine 5 speed gear transmission and a 38 mid mount mower deck. Ask a parts professional.

Before tractor serial number 420000. Search for parts using our john deere lawn and garden schematic search. Here is a picture gallery about john deere 160 lawn tractor parts diagram complete with the description of the image please find the image you need.

This quick parts reference guide will provide you with the most common john deere lt160 lawn tractor parts 42c mower deck. John deere 130 160 165 170 175 180 185. John deere 160 parts.

John deere hydrostatic transmission fix for john deere 160 lawn tractor parts diagram image size 1080 x 975 px and to view image details please click the image.

Data John Deere 855 Parts Diagram Campusjob Co

Lawn Tractor Parts Diagram Reference Guide John Deere Us

John Deere 210 Wiring Wiring Diagram Database

John Deere 160 Mower Manual Tractordata John Deere 160 Tractor

Kawasaki Fb 460v Silnik Traktorek Kosiarka Kawasaki Fb460v 125hp

Kawasaki Fb 460v Silnik Traktorek Kosiarka Kawasaki Fb460v 125hp

John Deere 160 Lawn Tractor Parts Diagram Best Wiring Library

63 Great Figure Of John Deere L110 Mower Deck Parts Diagram

John Deere Lawn Mower Parts Diagram Starpowersolar Us

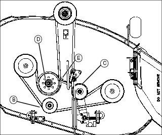
I Am Trying To Replace The Drive Belt On A Deere 160 Riding

John Deere 210 Wiring Wiring Diagram Database

John Deere 210 Wiring Wiring Diagram Database

Gearcase Peerless 1100 002 B16 Mower Tractor Mounted John

Lawn Mowers Outdoor Power Equipment The Home Depot

John Deere 160 Mower Deck Parts Diagram For Our John Deere 160

John Deere 160 Riding Mower The Friendliest Tractor Forum And Best

John Deere Sabre Belt Diagram Admirable John Deere Sabre Lawn

John Deere 160 Lawn Mower Parts

Install Lt160 Parts Diagram Www Toyskids Co

John Deere Parts Diagrams John Deere 160 Lawn Tractor 12 5 Hp


0 Response to "John Deere 160 Lawn Tractor Parts Diagram"

Post a Comment

Iklan Atas Artikel

Iklan Tengah Artikel 1

Iklan Tengah Artikel 2

Iklan Bawah Artikel