2004 Ford Escape Vacuum Hose Diagram

Vacuum hose diagram for 2004 ford explorer 40 sohc since this is a non specific question most any auto parts store will have an assortment of hoses and can be cut to what ever length you need. Need a vacuum diagram with hose diameters for a 2004 ford escape 6 cycl.

01 Ford Mustang Fuse Diagram Wiring Diagram Database

New 2004 ford escape 30 vacuum hose diagram.

2004 ford escape vacuum hose diagram. Parts tools mechanics gear guide. I had the same problem. How do you interpret the vacuum hose diagram for a 1987 ford ranger.

See where the common places for hoses to crack in a 2004 ford escape limited 30l v6. How do you interpret the vacuum hose diagram for a 1987 ford ranger. Rockauto ships auto parts and body parts from over 300 manufacturers to customers doors worldwide all at warehouse prices.

I pinpinted a coolant leak in thermostat of my 2000 mustang gt how much would it cost to fix. Honda city helped make these videos. You can search for images you like for info functions.

If you can bring in a small piece so the diameters can be matched. 2001 2004 ford escape hose check. It leaks 1 pint per week ithanks so much.

Ford 3 0 v6 engine diagram egr best wiring library 2004 ford escape 3 0 vacuum hose diagram car updates rh car updates 2004 ford. 2004 ford ranger vacuum diagram. Does anyone know where i can find a vacuum diagram for a 2004 ford ranger.

2004 2006 2008 30 escape firewall ford hose hoses line lines replace vacum vacuum. Easy to use parts catalog. 04 escape vacuum lines.

Can you turn up brightness on clock in car. I placed an older type of pcv elbow in between two pieces of 58 hose. The video above shows you where coolant hoses on your 2004 escape limited are located and the steps needed to analyze them.

We will certainly inform you regarding the 2004 ford escape 30 vacuum hose diagram picture gallery we have on this web site. 2004 ford escape 30 vacuum hose diagram is the most searched search of the month. I took the whole piece apart and have forgotten to take a photo of what i pulled.

Ive been looking all over online and havent been able to find one yet. Back to subforum escape escape hybrid. Ford truck enthusiasts forums small chassis trucks escape escape hybrid 04 escape vacuum lines.

2004 ford escape power steering diagram wiring diagram schematics my power steering pump is losing fluid it seems to be bubbling rh justanswer 2004 ford escape power steering hose diagram 2004 ford escape power. Was wondering where i can find a diagram for a 2004 ford escape vacuum hose replacement which leads directly from top manifold. View next unread auto volum control.

Solved I Am Looking For A 2002 Ford Escape 3 0l Six Fixya

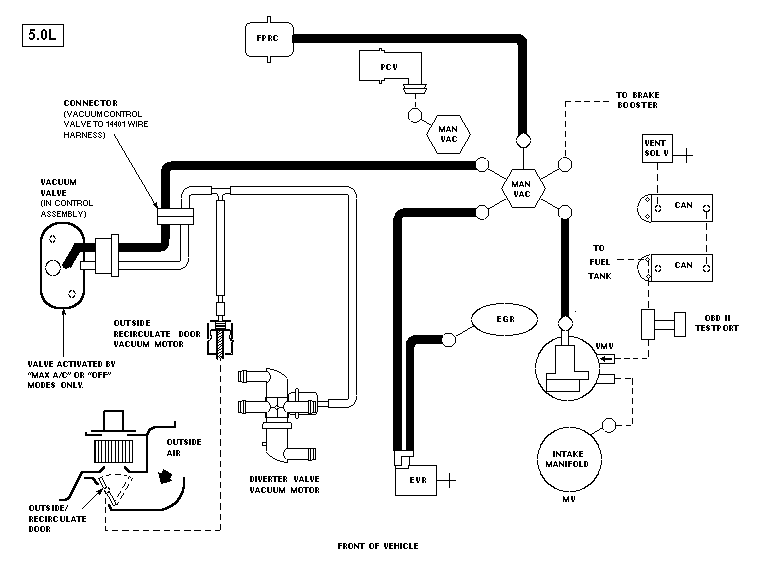
Repair Guides Vacuum Diagrams Vacuum Diagrams Autozone Com

Escape City Com View Topic 04 Escape 3 0l Vacuum System

Duratec Intake Manifold Removal And Pcv Hose Replacement Ford

2004 Escape 3 0l Vacuum System Ford Truck Enthusiasts Forums

Escape City Com View Topic Broken Vacuum Hose Where Does The

Whining Noise When Steering 2004 Ford Escape 3 0l V6 Diagnosed Youtube

Doc Diagram Ford F550 Engine Diagram Ebook Schematic Circuit

How To Replace A Toyota Tundra Starter Some Guy In Nevada

Repair Guides Vacuum Diagrams Vacuum Diagrams Autozone Com

Vacum Diagram For A 99 Mountianeer 5 0l The Ranger Station Forums

Ford Taurus Questions If Anyone Can Give Me Insight Direction I

2000 Ford Ranger 3 0 Electrical Diagram Schematic Diagram

F22b Engine Diagram Wiring Library

2004 Ford Escape Engine Diagram Wiring Diagram Library

1998 Nissan Maxima Parts Diagram Ford Escape Engine Diagram 1965

Wiring Diagram As Well Gy6 150cc Vacuum Line Diagram As Well 5 Wire

2001 Ford Escape Pcm Plug Wiring Diagram Schematic Diagram

2002 Mazda Millenia Engine Diagram 2002 Ford Explorer 4 0 Engine

Repair Guides Vacuum Diagrams Vacuum Diagrams Autozone Com

Vacuum Routing Diagrams Fixya

F22b Engine Diagram Wiring Library


0 Response to "2004 Ford Escape Vacuum Hose Diagram"

Post a Comment

Iklan Atas Artikel

Iklan Tengah Artikel 1

Iklan Tengah Artikel 2

Iklan Bawah Artikel