Craftsman Zts 6000 Belt Diagram
Belt stretched or worn. Zero turn mower 2 bin bagger attachment twin bagger 52 mower.
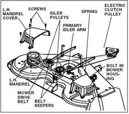
Murray 7800514 107 289920 Zts 6000 26hp B S W 52 Mower Deck
We are here to help over 285 genuine craftsman repair and replacement parts that are hassle free and guaranteed to fit every time.
Craftsman zts 6000 belt diagram. Save money and repair it yourself. View and download craftsman zts 6000 operators manual online. Did your craftsman model 107289920 lawn riding mower rear engine break down.
No more item to show. 26hp decal handle control lh. Parts diagram for model 30300.
Posted by anonymous on apr 02 2012. Report this by darrell gilbert. Need diagram for replacing belts on craftsman zts 7000 craftsman 21 hp 42 in.
Craftsman z6000 zero turn drive belt replacement. Parking brake is not fully released. Sears partsdirect uses your location to provide local availability in your area.
Need diagram for mower belt deck for craftsman zts 7500 42. Rider drive belt pulleys or belt greasy or oily. This option is valuable if you expect to revisit sears partsdirect using this computer and browser in the future.
Need diagram for replacing belts on craftsman zts 7000. Sears told me it was a generic diagram they want to charge me for this as it is not covered by warranty so i will just take it back if the belt wont stay on for 3 cuttings since it is new. Where do i find a diagram to put on the drive belt for a zts 6000.
Skip navigation sign in. Craftsman zts 6000 belt diagram craftsman 21 hp 42 in. 26hp decal seat deck lh.
Save money and repair it yourself. Show 3 more. Drive belt came off of craftsman zts 6000 how to put back on.
Get shopping advice from experts friends and the community. How to replace drive belt and diagram. Lift group zts 6000 107289930 note.
Easy ordering fast shipping and great service. Parts more fitness equipment parts. Zero turn tractor question.
It is not in the manual and i have no luck online. Zts 6000 lawn mower pdf manual download. Install drive belt craftsman zts 6000.
Unless noted otherwise use the standard hardware torque specification chart. Zero turn tractor mower ca model. Did your craftsman model 917276181 lawn tractor break down.
Zero turn lawn mower parts. Troy bilt zero turn drive belt replacement large.
Murray 7800514 107 289920 Zts 6000 26hp B S W 52 Mower Deck
Craftsman Riding Mower Electrical Diagram Wiring Diagram Craftsman
Craftsman 20411 42 22 Hp V Twin Briggs Stratton Zero Turn Riding
Craftsman 28992 Operators Manual
Craftsman Zts 7500 Craftsman 54 24hp V Twin Kohler Zero Craftsman
Craftsman Rear Engine Mower Zts7500 Ereplacementparts Com
Zts 6000 Belt Diagram Www Toyskids Co
Craftsman Rear Engine Mower Zts7500 Ereplacementparts Com
Craftsman Riding Mower Electrical Diagram Wiring Diagram Craftsman
Murray 7800514 107 289920 Zts 6000 26hp B S W 52 Mower Deck
Simplicity Hp Craftsman Zts 6000 52 Deck Belt Diagram Event Ring 1
Wiring Diagram For Poulan Lawn Mower Schematic Diagram
Craftsman Zts 6000 Belt Diagram Fixya
How To Put Belt On The Mower Deck Craftsman Riding Mower Ifixit
Craftsman Zts 6000 Klikwae Info
Craftsman Model 107277740 Lawn Riding Mower Rear Engine Genuine Parts
Craftsman Zts 6000 Deck Belt Diagram Beautiful Drive Belt Seems Too

0 Response to "Craftsman Zts 6000 Belt Diagram"
Post a Comment