Stihl Ms 311 Parts Diagram
Stihl chainsaw ms310 diagram stihl chainsaw ms310 diagram for stihl ms 310 parts diagram image size 800 x 546 px description. This specific impression ms 311 stihl ms 311 farm boss chainsaw throughout stihl ms 310 parts diagram previously mentioned is actually labelled together with.
 		 		 Ms 271 Stihl Chainsaw Parts Diagram Delapan Stanito Com
 	Ms 271 Stihl Chainsaw Parts Diagram Delapan Stanito Com 	
Submitted by carpny team on january 9 2017.
Stihl ms 311 parts diagram. Replaces oem 9512 003 3061 0182662 condition. While most local retailers will have to order your parts then wait for delivery we have our parts in stock and ready to ship when you place an order with us. Stihl 044 046 ms 311 ms 362 ms 391 ms 440 ms 441 ms 460 ms 461 pn.
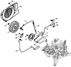
Stihl ms 311 chainsaw ms311 parts diagram av system look at the diagram and find parts that fit a stihl ms 311 chainsaw or refer to the list below. Stihl ms 311 manual content summary. Add to my manuals.
Stihl ms 310 parts list stihl ms 310 parts manual stihl ms 310 parts schematic. Depending on the model concerned the following pictograms may be on your machine. Stihl ms 311 parts diagram page 1 drawing a engine housing chain tensioner ms 311 ms 391 1 scs 01 2010 329.
View all stihl ms 311 manuals. Ms 311 ms 391 english 2 this instruction manual refers to a stihl chain saw also called a machine in this instruction manual. Stihl ms 311 chainsaw parts suitable replacement here at lil red barn we offer high quality aftermarket suitable replacement stihl ms 311 chainsaw parts.
Piston pin bearing 12mm new fits stihl stihl 044 046 ms 311 ms 362 ms 391 ms 440 ms 441 ms 460 ms 461 item. Proline ignition coil for stihl ms311 ms391 chainsaw 1140 400 1303 new updated version. Save this manual to your list of manuals.
Stihl ms 311 parts diagram page 2. Piston pin bearing model fit. Stihl ms 311 chainsaw ms311 parts diagram select a page from the stihl ms 311 chainsaw diagram to view the parts list and exploded view diagram.
Pictograms the meanings of the pictograms attached to or embossed on the machine are explained in this manual. Stihl ht 131 parts diagram in addition stihl leaf blower parts pertaining to stihl ms 310 parts diagram image size 450 x 300 px and to view image details please click the image.
 		 		 	Breakdown Stihl Ms 311 Parts Manual Www Imagessure Com 	
 		 		 	55 Fabulous Models Of Stihl Ms 361 Parts Diagram Flow Block Diagram 	
 		 		 Stihl Ts 500i Parts Diagram 27 Wiring Diagram Images Wiring
 	Stihl Ts 500i Parts Diagram 27 Wiring Diagram Images Wiring 	
 		 		 	New Stihl Ms 441c Commercial 25 Bar Lenght Chainsaw 70 7 Cc L K 	
 		 		 	Stihl Ms250 Parts Diagram Best Of Stihl Ms250 Chainsaw Chainsaw 	
 		 		 Stihl Ms 311 Parts Numbers Creativehobby Store
 	Stihl Ms 311 Parts Numbers Creativehobby Store 	
 		 		 Inspirational Stihl Ms 440 Parts Diagram Buy A Ms440 Spare Part Or
 	Inspirational Stihl Ms 440 Parts Diagram Buy A Ms440 Spare Part Or 	
 		 		 Inspirational Stihl Ms 440 Parts Diagram Buy A Ms440 Spare Part Or
 	Inspirational Stihl Ms 440 Parts Diagram Buy A Ms440 Spare Part Or 	
 		 		 Ms 271 Stihl Chainsaw Parts Diagram Delapan Stanito Com
 	Ms 271 Stihl Chainsaw Parts Diagram Delapan Stanito Com 	
 		 		 	Stihl Ms 311 Chainsaw Ms Chainsaw Ms Chainsaw Ms Chain Saw W Bar Ms 	
 		 		 Repair Service Manual For Stihl Chainsaw 034 And 036
 	Repair Service Manual For Stihl Chainsaw 034 And 036 	
 		 		 	Stihl 023 Chainsaw Parts Diagram 	
 		 		 	Stihl Pole Saw Parts Diagram Also Stihl Ht101 Pole Saw Parts Diagram 	
 		 		 Stihl Ms 290 Chainsaw Ms290 Parts Diagram Cylinder Ms 290 Stihl
 	Stihl Ms 290 Chainsaw Ms290 Parts Diagram Cylinder Ms 290 Stihl 	
 		 		 	Ms 311 Stihl Chainsaw Parts Manual Free Wiring Diagram For You 	
 		 		 Stihl Carburetor Rebuild Stihl 036 Youtube
 	Stihl Carburetor Rebuild Stihl 036 Youtube 	
 		 		 Stihl Ms 311 Chainsaw Ms311 Parts Diagram
 	Stihl Ms 311 Chainsaw Ms311 Parts Diagram 	
 		 		 	Stihl Ms 311 Chainsaw Ms311 Z Parts Diagram 	



0 Response to "Stihl Ms 311 Parts Diagram"
Post a Comment